热电偶接线盒(XG-001)
电线管与接线盒连接,线管里面的电线在接线盒中连起来,起到保护电线和连接电线的作用。热电偶和热电阻接线盒是用来固定接线座和作为连接器的装置,它起着保护感温元件免受外界气氛侵蚀和使外接导线与接线柱接触良
- 电 话:0550-7623999 7623888
- 传 真:0550-7623199转0
- 邮 箱:xinguo@xinguo.net
产品描述
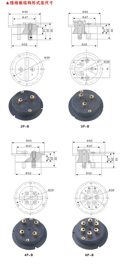
热电偶接线盒:
电线管与接线盒连接,线管里面的电线在接线盒中连起来,起到保护电线和连接电线的作用。热电偶和热电阻接线盒是用来固定接线座和作为连接器的装置,它起着保护感温元件免受外界气氛侵蚀和使外接导线与接线柱接触良好的作用,根据被测量温度对象和现场环境条件及要求,除了普通型接线盒外,还有防溅型、防水型、防爆型、接插型、不锈钢、塑料和一体化温度变送器等接线盒。我们如果将各种类型的接线盒装配成热电偶和热电阻产品,则这些产品相应即为防溅型、防水型和接插型等热电偶和热电阻了。
热电偶的接线盒是用来连接热电极和测量仪表的。为了防 止灰尘及有害气体进入保护管内,在接线盒的出线口和盖子端面上都是用垫片进行密封。热电偶接线盒主要零件有:盖子、螺钉、垫圈、接线盒、铭牌、垫片、空心螺栓等。
⑴塑料接线盒:适用于有强腐蚀的场所。
⑵不锈钢接线盒:适用于防腐蚀或易燃易爆场。
⑶防水型接线盒:适用于潮湿或露天的场所。
⑷防爆型接线盒:适用于潮湿或露天的场所。
⑸一体化温度变送器专用接线盒:适用于带有温度变送器的热电偶一体化温度变送器。



浏览:
上一篇:热电偶接线盒(XG-002)
下一篇:无





