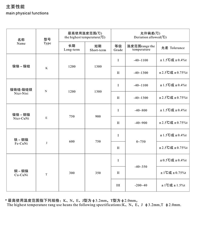
热电偶用合金丝
热电偶用合金丝有以下型号:
·镍铬-镍硅( K 型)
·镍铬-铜镍(康铜)( E 型)
·铁-铜镍(康铜)(J型)
·铜-铜镍(康铜)( T 型)
·镍铬硅-镍硅镁( N 型)
性
- 电 话:0550-7623999 7623888
- 传 真:0550-7623199转0
- 邮 箱:xinguo@xinguo.net
产品描述
热电偶合金丝:
性能特点:
廉金属热电偶合金具有热电势高、温度与热电势关系呈线性、热电势长期稳定性好等特点,符合国 际电工委员会( IEC )的相应标准。
主要用途:
热电偶合金丝广泛应用于国防、科研、冶金、化工、电力、仪器仪表等部门作测温元件。
热电偶用合金丝有以下型号:
·镍铬-镍硅( K 型)
·镍铬-铜镍(康铜)( E 型)
·铁-铜镍(康铜)(J型)
·铜-铜镍(康铜)( T 型)
·镍铬硅-镍硅镁( N 型)


浏览:
上一篇:无
下一篇:热电偶用补偿导线合金丝





